920685
新芝的高低溫控溫系統質量可靠,性能優越,具備高精度智能溫度控制,溫度控制范圍從-120℃至350℃應有盡有,能夠滿足絕大部分企業的恒溫控制需求。本設備控溫精度高達±0.1℃,制冷功率0.25kW到95kW、加熱功率2.5kW~95kW均有對應型號產品供應。

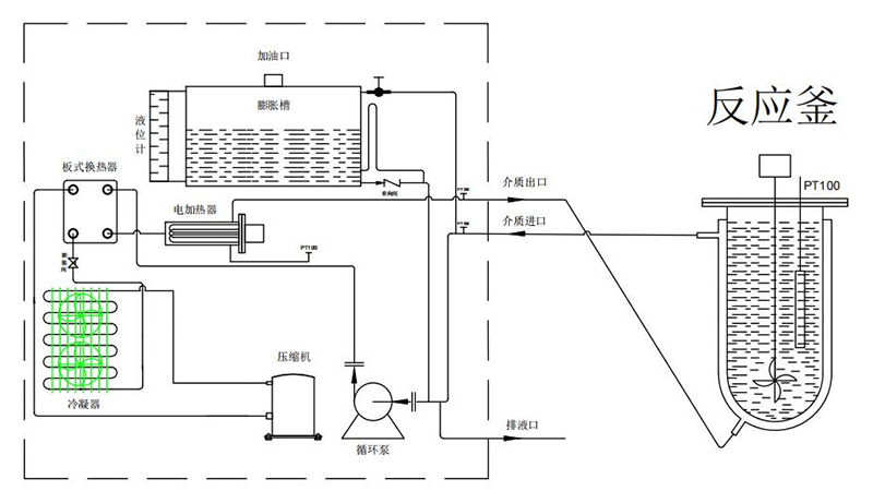
高低溫控溫裝置由循環泵、加熱管、壓縮機、冷凝器、風機、干燥過濾器、膨脹閥、蒸發器、氣液分離器、傳感器、介質壓力表、回熱器、膨脹容器、控制器等部件構成。集成了多項先進技術,以確保在廣泛的溫度范圍內實現卓越的溫度控制性能。系統運作基于一個精細協調的制冷與加熱循環,核心部件協同工作,確保溫度精準調節。
· 控制系統:PID模糊控制
· 導熱介質溫控精準度:±0.5℃
· 反應物料溫控精準度:±1℃
· 外殼材質:冷軋鈑噴塑
· 通信協議:MODBUS RTU 協議 RS 485接口
· 外殼材質:冷軋鈑噴塑
· 介質溫度范圍:-40℃~200℃(高溫可擴展至250℃)
· 操作面板:7英寸彩色觸摸屏,溫度曲線顯示、記錄
· 控溫對象:物料溫度控制與導熱介質出口溫度控制可自由選擇
· 溫差控制:反應釜夾套溫度與物料溫度的溫差可控制、可設定
· 程序編輯:可編制5條程序,每條程序可編制30段步驟
· 溫度反饋:設備導熱介質 本機溫度、出口溫度、反應器物料溫度(外接溫度傳感器)三點溫度PT100
· 安全保護:具有自我診斷功能;冷凍機過載保護、高壓壓力開關、過載繼電器、熱保護裝置、低液位保護、高溫保護 傳感器故障保護等多種安全保障功能
· 密閉循環系統:整個系統為全密閉系統,高溫時不會有油霧、低溫不吸收空氣中水份,系統在運行中不會因為高溫使壓力上升,低溫自動補充導熱介質

高低溫控溫設備被廣泛應用于多種反應裝置中,如反應釜、反應器(如微通道反應器、玻璃反應器和夾套反應器)、蒸餾系統、萃取系統等,以實現精確的制冷與加熱控制。這種設備在高等院校、科研實驗室、汽車制造、制藥工業、石油化工、半導體及電子產品測試、生物化學以及航空航天等多個行業領域內發揮著重要的作用。
關于正壓防爆
本產品中的?冷型型號均可定 EXPXdmbIBT4,EXPXdmbiCt4
它是根據國家標準GB3836.5-2004(爆炸性?體環境?電?設備正壓型“ p”)設計制造、檢驗。可?泛?于?油、化?醫藥等具有爆炸性?體、 粉塵的危險場所。防爆標志為Expxdmb lCT4。防爆合格證號:GYB091118。
正壓柜通過防爆控制箱內的智能控制系統與壓?控制系統匹配將潔凈安全的壓縮空?引?正壓腔,使正壓腔內形成微正壓,阻?外界危險?體、粉塵的進?,達到防爆的?的。該產品具有智能集中控制、液晶?字顯?、?動換?、延時?動供電、失壓補?、故障報警及危險時?動切斷電源等功能。
結構概述
正壓柜由正壓腔和控制腔兩部分組成,正壓腔?于安裝各種?防爆的儀表或電器,控制腔由防爆控制箱及壓?控制系統組成。正壓柜外殼采? 2~3mm的冷軋鋼板焊接?成,通?管道采?鍍鋅鋼管,進出電纜采?穿板管接頭和電纜引?壓緊裝置。前?設置玻璃顯?窗,顯?儀表及指?燈等內容。
安全指標
a.柜內內正壓值?于280Pa?動排? b.柜內正壓值?于80Pa?于50Pa時,?動報警 c.柜內正壓值?于50Pa,?動切斷電源。
工作原理
壓柜?作原理,外界220伏流引?防爆控制箱后,按下“起動鈕”,電磁聞4勵磁將進?管道開通,壓縮空?經過濾減壓后進?正壓腔,正壓腔內的危險?體通過排?排出正壓腔,待正壓腔內危險?體換?安全值時,換?結束,聯鎖觸點?動閉合,此時正壓腔內的電器、儀表?可?作。
正壓值的調整
調整單向節流下端正壓值調節?柄,順時針轉動正壓值升?,反之正壓值降低,正壓值調?250Pa為宜,如果壓?偏低?法調?此壓?時,應查進?是否全開,正壓室與外界是否密封。
聯鎖功能選擇
正壓柜在1區危險場所便?時,如果正壓值?于50Pa,聯鎖觸占須斷開,如果在2區危險場所使?時,如果正壓值?于50Pa,聯鎖觸點可以不斷開,但要及時處理確保壓??于50Pa,此功能有撥位開關t2第3位來調整第三位在?聯鎖觸點斷開在下聯鎖觸點不斷開撥位時需在斷開狀態下進?。
正壓防爆柜恒溫冷卻系統
采??冷?式,?動控制冷卻?進?到系統內部空調換熱器,將正壓柜內部熱量帶?,確保正壓系統內部處于恒溫狀態,保證內部元件安全。
關于隔離防爆
電氣柜(采用隔爆型)
A 有單獨的接線腔體
B 加熱功率大于7.5kW, 有獨立散熱鋁翅片防爆柜
C 電氣柜采用全鋁件模具
D 配備防爆鼠標,防爆觸摸屏,用于操作7寸及以上顯示屏
壓縮機
A 采用防爆型或防爆硅膠密封防爆處理
B 采用接線端子封裝工藝(本安)。
循環風機
A 采用防爆型
B 葉片采用鋁葉片
循環泵采用隔爆型電機
調整單向節流下端正壓值調節?柄,順時針轉動正壓值升?,反之正壓值降低,正壓值調?250Pa為宜,如果壓?偏低?法調?此壓?時,應查進?是否全開,正壓室與外界是否密封。
A 加熱器采用隔爆型
B 溫度傳感器采用隔爆型
C 壓力傳感器采用隔爆型
D 各種保護區安裝在隔爆盒中
| 型號 | HL25W-420 | HL35-420 | HL55-420 | HL75-420 | HL100-420 | HL150W-420 | HL250W-420 | HL380W-420 | HL600W-420 | HL950W-420 | |
| 加熱功率 | 2.5kW | 3.5kW | 5.5kW | 7.5kW | 10kW | 15kW | 25kW | 38kW | 60kW | 95kW | |
| 制冷能力 | 200℃ | 2.5kW | 3.5kW | 5.5kW | 7.5kW | 10kW | 15kW | 25kW | 38kW | 60kW | 95kW |
| 20℃ | 2.5kW | 3.5kW | 5.5kW | 7.5kW | 10kW | 15kW | 25kW | 38kW | 60kW | 95kW | |
| 0℃ | 2kW | 3kW | 5kW | 7kW | 10kW | 15kW | 25kW | 38kW | 60kW | 95kW | |
| -20℃ | 0.9kW | 1.5kW | 2.9kW | 4.2kW | 6kW | 11kW | 16kW | 26kW | 34kW | 50kW | |
| -35℃ | 0.25kW | 0.45kW | 0.9kW | 1.5kW | 2kW | 3.8kW | 4.7kW | 9kW | 12kW | 18kW | |
| 循環泵 | 流量 | Max20L/min | Max35L/min | Max35L/min | Max50L/min | Max60L/min | Max110L/min | Max150L/min | Max200L/min | Max250L/min | Max400L/min |
| 壓力 | 2bar | 2bar | 2bar | 2bar | 2bar | 2.5bar | 2.5bar | 2.5bar | 2.5bar | 2.5bar | |
| 壓縮機 | 泰康/海立 | 艾默生谷輪 | 意大利都凌/比澤爾/富士豪 | ||||||||
| 膨脹閥 | 丹佛斯 | ||||||||||
| 導熱介質接口尺寸 | DN15 | DN20 | DN20 | DN20 | DN25 | DN25 | DN32 | DN40 | DN40 | DN50 | |
| 20度冷卻水需求 | 0.6m3/h | 1.2m3/h | 1.5m3/h | 1.8m3/h | 2.6m3/h | 3.2m3/h | 7m3/h | 12m3/h | 17m3/h | 24m3/h | |
| 1.5bar~4bar | 1.5bar~4bar | 1.5bar~4bar | 1.5bar~4bar | 1.5bar~4bar | 1.5bar~4bar | 1.5bar~4bar | 1.5bar~4bar | 1.5bar~4bar | 1.5bar~4bar | ||
| 冷卻水接口尺寸 | G1/2 | G1/2 | G3/4 | G3/4 | G1 | G1 | DN40 | DN50 | DN65 | DN65 | |
| 外形尺寸mm | 水冷 | 400*600*1150 | 400*600*1150 | 500*680*1250 | 550*700*1600 | 500*680*1250 | 700*800*1650 | 1000*950*1650 | 1000*950*1750 | 2000*1250*1750 | 2000*1250*1750 |
| 風冷 | 400*600*1250 | 450*650*1300 | 550*650*1400 | 570*700*1550 | 650*700*1650 | 750*750*1800 | / | / | / | / | |
| 重量 | 水冷 | 100kg | 135kg | 160kg | 205kg | 250kg | 280kg | 620kg | 820kg | 1100kg | 1350kg |
| 風冷 | 115kg | 165kg | 285kg | 230kg | 280kg | 300kg | / | / | / | / | |
| 電源 | AC 220V 50HZ | AC 380V 50HZ | AC 380V 50HZ | AC 380V 50HZ | AC 380V 50HZ | AC 380V 50HZ | AC 380V 50HZ | AC 380V 50HZ | AC 380V 50HZ | AC 380V 50HZ | |
| 總功率 | 4.5kW(max) | 6.5kW(max) | 9kW(max) | 11.5kW(max) | 16kW(max) | 23kW(max) | 36kW(max) | 55 kW(max) | 89kW(max) | 135kW(max) | |
· 選配:SUS 304機箱、ExdIIBT4防爆、ExdllCT4防爆、正壓防爆(正壓防爆只能采用水冷方式)
24小時服務熱線 18106650612